+86-769-85303229      +86-13763283864      jennyguo@fazcwj.com
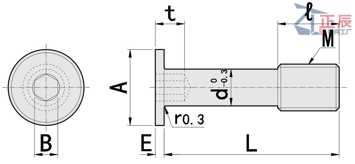
สกรูยึดสเตนเลสสตีลตัวขับหกเหลี่ยมหัวต่ำพิเศษ GUTBG
บ้าน » สินค้า » ตัวยึดพิเศษ » สกรูเชลย » สกรูยึดสเตนเลสสตีลตัวขับหกเหลี่ยมหัวต่ำพิเศษ GUTBG

สินค้าที่เกี่ยวข้อง

loading

แบ่งปัน:
facebook sharing button
twitter sharing button
line sharing button
wechat sharing button
linkedin sharing button
pinterest sharing button
whatsapp sharing button
sharethis sharing button

สกรูยึดสเตนเลสสตีลตัวขับหกเหลี่ยมหัวต่ำพิเศษ GUTBG

Captive Screw ของเรามีการออกแบบที่ผสมผสานความเรียบง่ายและฟังก์ชันการทำงานในลักษณะที่หรูหรา หัวสกรูได้รับการออกแบบให้มีพื้นผิวเรียบและโค้งมนซึ่งไม่เพียงแต่ทำให้ดูทันสมัย ​​แต่ยังลดความเสี่ยงของการบาดเจ็บระหว่างการจับอีกด้วย ขอบโค้งมนป้องกันไม่ให้เสื้อผ้าหรือวัสดุอื่นเกี่ยว ทำให้ปลอดภัยในการใช้งาน การเชื่อมต่อระหว่างส่วนหัวกับก้านได้รับการออกแบบให้ทั้งแข็งแรงและยืดหยุ่น ใช้กลไกการล็อคที่เป็นเอกลักษณ์ซึ่งช่วยให้ก้านหมุนได้อย่างอิสระในขณะที่ยังคงการเชื่อมต่อที่ปลอดภัย ก้านได้รับการออกแบบให้มีเกลียวละเอียดซึ่งให้ความแม่นยำในระดับสูงเมื่อขันและคลาย เกลียวยังได้รับการออกแบบให้มีคุณสมบัติตั้งศูนย์กลางในตัว ซึ่งช่วยรับประกันการจัดตำแหน่งที่เหมาะสมเมื่อสอดสกรูเข้าไปในรูผสมพันธุ์
สถานะห้องว่าง:
จำนวน:

คุณสมบัติ

คุณสมบัติที่โดดเด่นประการหนึ่งของ Captive Screw ของเราคือการออกแบบให้มีน้ำหนักเบา แม้จะมีโครงสร้างที่แข็งแกร่งและทนทาน แต่สกรูก็ค่อนข้างมีน้ำหนักเบา ซึ่งเป็นประโยชน์ในการใช้งานที่คำนึงถึงน้ำหนัก เช่น ในอุตสาหกรรมการบินและอวกาศหรือยานยนต์ คุณสมบัติอีกประการหนึ่งคือความเข้ากันได้กับระบบประกอบอัตโนมัติ การออกแบบสกรูยึดช่วยให้ป้อนและติดตั้งได้ง่ายด้วยอุปกรณ์อัตโนมัติ เพิ่มประสิทธิภาพของกระบวนการประกอบ สกรูยึดของเรายังมีอายุการใช้งานยาวนานอีกด้วย วัสดุคุณภาพสูงที่ใช้ในการก่อสร้างผสมผสานกับกระบวนการผลิตที่มีความแม่นยำ ทำให้มั่นใจได้ว่าทนทานต่อการใช้งานซ้ำได้โดยไม่สูญเสียประสิทธิภาพ


ข้อได้เปรียบ

ข้อดีของ Captive Screw ของเรามีประโยชน์อย่างมากสำหรับการใช้งานที่หลากหลาย การออกแบบให้มีน้ำหนักเบาทำให้เหมาะสำหรับใช้ในอุตสาหกรรมที่การลดน้ำหนักเป็นสิ่งสำคัญในการปรับปรุงสมรรถนะและประสิทธิภาพการใช้เชื้อเพลิง เช่น ในภาคการบินและอวกาศและยานยนต์ ความเข้ากันได้กับระบบการประกอบอัตโนมัติช่วยลดต้นทุนแรงงานและเพิ่มความเร็วในการผลิต ทำให้เป็นตัวเลือกที่เหมาะสำหรับการดำเนินการผลิตขนาดใหญ่ อายุการใช้งานที่ยาวนานของสกรูยึดช่วยลดความจำเป็นในการเปลี่ยนบ่อยๆ ประหยัดทั้งเวลาและเงิน นอกจากนี้ ความง่ายในการติดตั้งและคุณสมบัติป้องกันการสูญเสียทำให้เป็นตัวเลือกที่สะดวกสำหรับการใช้งานที่หลากหลาย ตั้งแต่ผลิตภัณฑ์สำหรับผู้บริโภคไปจนถึงเครื่องจักรอุตสาหกรรม


การใช้งาน

สกรูแบบ Captive Screw ของเรามีการใช้กันอย่างแพร่หลายในหลายอุตสาหกรรม ในอุตสาหกรรมอิเล็กทรอนิกส์สำหรับผู้บริโภค ใช้ในการประกอบสมาร์ทโฟน แท็บเล็ต และอุปกรณ์พกพาอื่นๆ การออกแบบสกรูยึดให้มีน้ำหนักเบาและแม่นยำมีความจำเป็นสำหรับการสร้างผลิตภัณฑ์อิเล็กทรอนิกส์ที่บางและกะทัดรัด ในอุตสาหกรรมยานยนต์ ใช้ในการประกอบรถยนต์ทั้งภายในและภายนอก คุณสมบัติป้องกันการสูญเสียช่วยให้มั่นใจได้ว่าสกรูจะไม่สูญหายระหว่างกระบวนการประกอบหรือในขณะที่รถยนต์กำลังทำงาน ในอุตสาหกรรมเฟอร์นิเจอร์ สกรูยึดถูกนำมาใช้ในการประกอบเฟอร์นิเจอร์แบบโมดูลาร์ ติดตั้งง่ายและเข้ากันได้กับวัสดุที่แตกต่างกัน ทำให้เป็นตัวเลือกยอดนิยมสำหรับการสร้างชิ้นส่วนเฟอร์นิเจอร์ที่ยืดหยุ่นและปรับแต่งได้


คำถามที่พบบ่อย

1. เส้นผ่านศูนย์กลางรูขั้นต่ำที่จำเป็นสำหรับสกรูยึดคือเท่าไร?

เส้นผ่านศูนย์กลางรูขั้นต่ำที่จำเป็นสำหรับสกรูยึดจะขึ้นอยู่กับขนาดและประเภทของสกรู เรามีข้อมูลจำเพาะโดยละเอียดสำหรับสกรูยึดแต่ละตัว ซึ่งรวมถึงเส้นผ่านศูนย์กลางรูที่แนะนำด้วย สิ่งสำคัญคือต้องปฏิบัติตามข้อกำหนดเฉพาะเหล่านี้เพื่อให้แน่ใจว่ามีการเชื่อมต่อที่เหมาะสมและปลอดภัย

2. Captive Screw สามารถใช้กับงานที่มีฝุ่นเยอะได้หรือไม่?

สกรูยึดของเราได้รับการออกแบบให้ทนทานต่อฝุ่นและอนุภาคอื่นๆ อย่างไรก็ตาม ในการใช้งานที่มีฝุ่นจำนวนมาก แนะนำให้ทำความสะอาดสกรูและรูเชื่อมต่อเป็นประจำ เพื่อป้องกันการรบกวนการติดตั้งหรือประสิทธิภาพของสกรู

3. สกรูยึดเหมาะสำหรับใช้ในสภาพแวดล้อมที่เย็นหรือไม่?

สกรูยึดของเราที่ทำจากวัสดุ เช่น สแตนเลส สามารถใช้ในสภาพแวดล้อมที่เย็นได้ อย่างไรก็ตาม ในสภาวะที่เย็นจัด คุณสมบัติของวัสดุอาจเปลี่ยนแปลงเล็กน้อย และขอแนะนำให้ปรึกษาทีมสนับสนุนด้านเทคนิคของเราเพื่อให้แน่ใจว่าสกรูเหมาะสมกับการใช้งานเฉพาะของคุณ

4. ฉันจะทำความสะอาดสกรูยึดได้อย่างไรหากสกปรก

คุณสามารถทำความสะอาดสกรูยึดได้โดยใช้น้ำยาทำความสะอาดสูตรอ่อนโยนและแปรงขนนุ่ม ค่อยๆ ขัดสกรูเพื่อขจัดสิ่งสกปรกหรือเศษต่างๆ หลังจากทำความสะอาดแล้ว ให้ล้างสกรูด้วยน้ำสะอาดให้สะอาด และเช็ดให้แห้งก่อนจะติดตั้งกลับเข้าไปใหม่

5. สามารถใช้สกรูยึดในการใช้งานที่จำเป็นต้องถอดและประกอบซ้ำบ่อยๆ ได้หรือไม่

ใช่ สกรูยึดของเราได้รับการออกแบบมาให้ทนต่อการถอดและประกอบซ้ำบ่อยครั้ง การเชื่อมต่ออย่างแน่นหนาระหว่างหัวและก้านทำให้สกรูยังคงอยู่ในสภาพที่ดีแม้จะขันและคลายหลายรอบแล้วก็ตาม


สกรูยึด - หัวต่ำพิเศษ

ก่อน: 
ถัดไป: 
Dongguan Zhengchen Hardware Co., Ltd. เป็นเวลากว่า 10 ปีที่ผลิตภัณฑ์ของเราใช้ประโยชน์จากเทคโนโลยีขั้นสูงและการควบคุมคุณภาพที่ไม่มีใครเทียบได้ เพื่อส่งมอบชิ้นส่วนทางวิศวกรรมที่แม่นยำไปทั่วโลก ซึ่งส่งผลกระทบต่อชีวิตสมัยใหม่แทบทุกด้าน
ข้อความถึงผู้ขาย
ติดต่อกับเรา

ติดต่อเรา

  +86-769-85303229
  +86-13763283864
  +86-13763283864
  กาลิน่า910902
  Haofeng Indu, Xinming Rd, Changan Town, Dongguan City, Guangdong China 523850

ลิงค์ด่วน

ส่งข้อความถึงเรา

ลิขสิทธิ์ ©2023 Dongguan Zhengchen Hardware Co., Ltd. สงวนลิขสิทธิ์| Sitemap |สนับสนุนโดย Leadong