+86-769-85303229      +86-13763283864      jennyguo@fazcwj.com
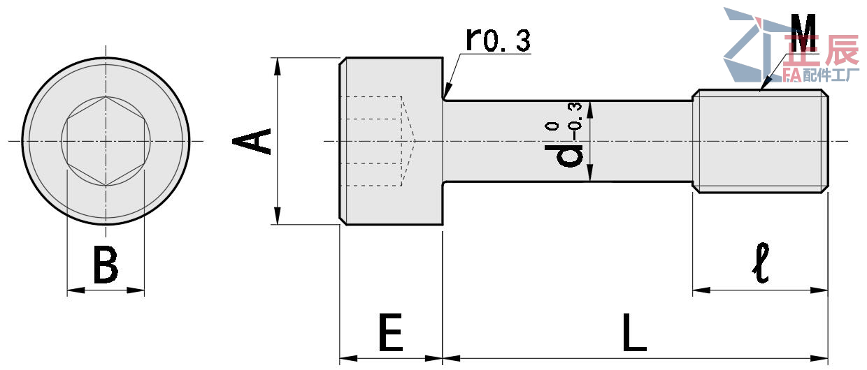
สกรูยึด สเตนเลส ฝาครอบหัวจมหกเหลี่ยม ความยาวที่กำหนดได้ GUTB
บ้าน » สินค้า » ตัวยึดพิเศษ » สกรูเชลย » สกรูยึด สเตนเลส ฝาครอบหัวจมหกเหลี่ยม ความยาวที่กำหนดได้ GUTB

loading

แบ่งปัน:
facebook sharing button
twitter sharing button
line sharing button
wechat sharing button
linkedin sharing button
pinterest sharing button
whatsapp sharing button
sharethis sharing button

สกรูยึด สเตนเลส ฝาครอบหัวจมหกเหลี่ยม ความยาวที่กำหนดได้ GUTB

สกรูยึดของเรานำเสนอการออกแบบที่เป็นทั้งนวัตกรรมและการใช้งานจริง หัวสกรูได้รับการออกแบบให้มีพื้นผิวกันลื่นที่เป็นเอกลักษณ์ ซึ่งให้การยึดเกาะเครื่องมือที่ดีขึ้น และลดความเสี่ยงของการลื่นไถลระหว่างการติดตั้งและการถอด พื้นผิวนี้ได้รับการออกแบบทางวิศวกรรมอย่างพิถีพิถันเพื่อให้แน่ใจว่ามีการถ่ายเทแรงบิดสูงสุดในขณะเดียวกันก็ป้องกันความเสียหายที่ศีรษะ การเชื่อมต่อระหว่างส่วนหัวกับก้านเป็นผลมาจากเทคนิคทางวิศวกรรมขั้นสูง มีกลไกที่พอดีอย่างแม่นยำซึ่งช่วยให้ก้านหมุนได้อย่างอิสระภายในส่วนหัว ขณะเดียวกันก็รักษาการเชื่อมต่อที่แข็งแกร่งและปลอดภัย ด้ามได้รับการออกแบบให้มีรูปแบบเกลียวหยาบสำหรับการใช้งานที่ต้องการกำลังยึดสูง เกลียวได้รับการออกแบบให้มีมุมและความลึกเฉพาะเพื่อให้การยึดเกาะที่ดีเยี่ยมกับวัสดุผสมพันธุ์
สถานะห้องว่าง:
จำนวน:

คุณสมบัติ

คุณสมบัติหลักประการหนึ่งของสกรูยึดของเราคือความต้านทานแรงดึงสูง สกรูทำจากวัสดุระดับพรีเมียม เช่น เหล็กโลหะผสม สกรูสามารถทนต่อแรงดึงในระดับสูงได้โดยไม่แตกหักหรือเสียรูป ทำให้เหมาะสำหรับการใช้งานที่ต้องการการเชื่อมต่อที่แน่นหนาและปลอดภัย เช่น ในการก่อสร้างหรือเครื่องจักรกลหนัก คุณสมบัติเด่นอีกประการหนึ่งคือฟังก์ชั่นการปลดล็อคอย่างรวดเร็ว การออกแบบสกรูยึดช่วยให้สามารถถอดออกได้ง่ายและรวดเร็ว ซึ่งมีประโยชน์ในการใช้งานที่จำเป็นต้องเข้าถึงส่วนประกอบอย่างรวดเร็ว สกรูยึดของเรายังมีความทนทานต่อการสึกหรอได้ดี วัสดุและกระบวนการผลิตที่ใช้ทำให้มั่นใจได้ว่าสกรูสามารถทนทานต่อการใช้งานซ้ำๆ และการสัมผัสกับสภาวะการทำงานต่างๆ โดยไม่สูญเสียประสิทธิภาพ


ข้อได้เปรียบ

ข้อดีของ Captive Screw ของเรามีความสำคัญในอุตสาหกรรมต่างๆ ความต้านทานแรงดึงสูงทำให้เหมาะสำหรับการใช้งานในการก่อสร้าง ซึ่งสามารถใช้เพื่อยึดส่วนประกอบโครงสร้างและทนทานต่อภาระหนัก ฟังก์ชันการปลดเร็วมีประโยชน์ในการบำรุงรักษาและซ่อมแซม โดยที่เวลาเป็นสิ่งสำคัญ ช่วยให้ช่างเทคนิคสามารถถอดและเปลี่ยนส่วนประกอบได้อย่างรวดเร็ว ลดการหยุดทำงาน ความต้านทานต่อการสึกหรอทำให้มั่นใจได้ว่าสกรูมีอายุการใช้งานยาวนาน แม้ในสภาพแวดล้อมที่รุนแรง ซึ่งช่วยลดความจำเป็นในการเปลี่ยนและบำรุงรักษาบ่อยครั้ง จึงช่วยประหยัดค่าใช้จ่าย นอกจากนี้ พื้นผิวกันลื่นบนส่วนหัวทำให้กระบวนการติดตั้งง่ายขึ้นและเชื่อถือได้มากขึ้น ซึ่งช่วยลดความเสี่ยงของข้อผิดพลาด


การใช้งาน

สกรูยึดของเราถูกนำไปใช้อย่างกว้างขวางในอุตสาหกรรมต่างๆ ในอุตสาหกรรมก่อสร้าง ใช้ในการประกอบโครงสร้างเหล็ก แบบหล่อคอนกรีต และส่วนประกอบอื่นๆ ของอาคาร ความต้านทานแรงดึงสูงและการเชื่อมต่อที่ปลอดภัยจากสกรูยึดมีความจำเป็นต่อความมั่นคงและความปลอดภัยของอาคาร ในอุตสาหกรรมเครื่องจักรกลหนัก ใช้เพื่อยึดชิ้นส่วนเครื่องยนต์ ส่วนประกอบระบบส่งกำลัง และชิ้นส่วนสำคัญอื่นๆ ฟังก์ชั่นปลดเร็วช่วยให้บำรุงรักษาและซ่อมแซมเครื่องจักรได้ง่าย ในอุตสาหกรรมการเกษตร สกรูยึดถูกนำมาใช้ในการประกอบอุปกรณ์การเกษตร เช่น รถแทรกเตอร์ รถเก็บเกี่ยว และระบบชลประทาน ความทนทานและความต้านทานต่อการสึกหรอทำให้เหมาะสำหรับใช้ในสภาพแวดล้อมทางการเกษตรที่รุนแรง


คำถามที่พบบ่อย

1. สกรูยึดสามารถรับน้ำหนักได้สูงสุดเท่าใด

น้ำหนักสูงสุดที่สกรูยึดของเราสามารถรับได้นั้นขึ้นอยู่กับขนาด วัสดุ และการออกแบบ เราระบุข้อกำหนดการรับน้ำหนักสำหรับสกรูยึดแต่ละตัวไว้ในเอกสารประกอบผลิตภัณฑ์ของเรา สิ่งสำคัญคือต้องอ้างอิงข้อกำหนดเฉพาะเหล่านี้เพื่อให้แน่ใจว่าสกรูเหมาะสมกับการใช้งานเฉพาะของคุณ

2. สามารถใช้สกรูยึดในงานที่มีความเสี่ยงต่อการกระแทกได้หรือไม่?

สกรูยึดของเราได้รับการออกแบบมาให้ทนทานต่อแรงกระแทกในระดับหนึ่ง อย่างไรก็ตาม ความต้านทานแรงกระแทกสูงสุดขึ้นอยู่กับขนาด วัสดุ และการออกแบบของสกรู สำหรับการใช้งานที่มีแรงกระแทกสูง ขอแนะนำให้ปรึกษาทีมสนับสนุนทางเทคนิคของเราเพื่อเลือกสกรูยึดที่เหมาะสม

3. ฉันจะมั่นใจได้อย่างไรว่าขันสกรูยึดเข้ากับแรงบิดที่ถูกต้องแล้ว?

คุณสามารถใช้ประแจทอร์คเพื่อให้แน่ใจว่าขันสกรูยึดให้แน่นด้วยแรงบิดที่ถูกต้อง ดูข้อกำหนดแรงบิดที่ให้ไว้ในเอกสารประกอบผลิตภัณฑ์ของเราสำหรับสกรูยึดเฉพาะที่คุณใช้ การใช้ประแจทอร์คช่วยให้มั่นใจในการเชื่อมต่อที่สม่ำเสมอและปลอดภัย

4. สกรูยึดมีความยาวต่างกันหรือไม่?

ใช่ เรามีสกรูยึดที่มีความยาวหลากหลายเพื่อตอบสนองความต้องการที่แตกต่างกันของลูกค้าของเรา คุณสามารถเลือกความยาวที่เหมาะสมกับการใช้งานเฉพาะของคุณได้จากกลุ่มผลิตภัณฑ์ของเรา

5. สามารถใช้สกรูยึดในงานที่ต้องการฉนวนไฟฟ้าได้หรือไม่?

หากคุณต้องการสกรูยึดที่มีคุณสมบัติเป็นฉนวนไฟฟ้า คุณสามารถเลือกสกรูยึดที่ทำจากวัสดุที่ไม่นำไฟฟ้า เช่น ไนลอนหรือพลาสติก สกรูยึดโลหะมาตรฐานของเราเป็นสื่อกระแสไฟฟ้า ดังนั้น การเลือกวัสดุที่เหมาะสมตามความต้องการใช้งานของคุณจึงเป็นสิ่งสำคัญ

สกรูเชลย

ก่อน: 
ถัดไป: 
Dongguan Zhengchen Hardware Co., Ltd. เป็นเวลากว่า 10 ปีที่ผลิตภัณฑ์ของเราใช้ประโยชน์จากเทคโนโลยีขั้นสูงและการควบคุมคุณภาพที่ไม่มีใครเทียบได้ เพื่อส่งมอบชิ้นส่วนทางวิศวกรรมที่แม่นยำไปทั่วโลก ซึ่งส่งผลกระทบต่อชีวิตสมัยใหม่แทบทุกด้าน
ข้อความถึงผู้ขาย
ติดต่อกับเรา

ติดต่อเรา

  +86-769-85303229
  +86-13763283864
  +86-13763283864
  กาลิน่า910902
  Haofeng Indu, Xinming Rd, Changan Town, Dongguan City, Guangdong China 523850

ลิงค์ด่วน

ส่งข้อความถึงเรา

ลิขสิทธิ์ ©2023 Dongguan Zhengchen Hardware Co., Ltd. สงวนลิขสิทธิ์| Sitemap |สนับสนุนโดย Leadong