+86-769-85303229      +86-13763283864      jennyguo@fazcwj.com
โบลท์ไหล่เหล็กแม่นยำ MSBL SCM435
บ้าน » สินค้า » ตัวยึดพิเศษ » สลักไหล่ » โบลท์ไหล่เหล็กแม่นยำ MSBL SCM435

loading

แบ่งปัน:
facebook sharing button
twitter sharing button
line sharing button
wechat sharing button
linkedin sharing button
pinterest sharing button
whatsapp sharing button
sharethis sharing button

โบลท์ไหล่เหล็กแม่นยำ MSBL SCM435

สถานะห้องว่าง:
จำนวน:

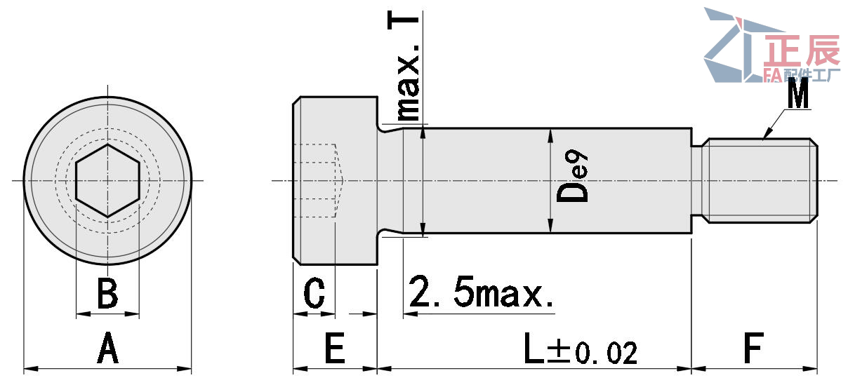
เมื่อเปรียบเทียบกับเหล็กคลาส 12.9 สกรูไหล่เหล็กอัลลอยด์เหล่านี้แข็งแกร่งที่สุดที่เรานำเสนอ  

มีไหล่มาตรฐานที่มีพิกัดความเผื่อต่ำเพื่อให้พอดีกับเครื่องจักรและอุปกรณ์ส่วนใหญ่ มีชื่อเรียกอีกชื่อหนึ่งว่า สตริปเปอร์โบลท์ มักใช้ในการประกอบแบบพันช์และดาย และใช้เป็นแกนหรือจุดเดือย

ระดับเกลียว: หยาบ

สลักเกลียวไหล่ที่แม่นยำ

สลักเกลียวไหล่ที่แม่นยำ


คำถามที่พบบ่อยเกี่ยวกับผลิตภัณฑ์นี้ (FAQ)


การรักษาพื้นผิวและระดับความแข็งแรงของผลิตภัณฑ์นี้คืออะไร?

การรักษาพื้นผิวของผลิตภัณฑ์นี้คือชั้นป้องกันของเฟอร์ริกออกไซด์ (ที่ตำแหน่งหัวสกรูเท่านั้น)

ระดับความแรงคือ 10.9 โปรดทราบเมื่อใช้งาน

สามารถใช้แทนสต็อปโบลต์ STBG หรือโบลต์กระบวนการติดตั้งแผ่นกด EPB ได้หรือไม่

สลักเกลียวกระบวนการทั้งสามใช้เพื่อวัตถุประสงค์ที่แตกต่างกัน ดังนั้นขนาดและความคลาดเคลื่อนจึงแตกต่างกัน โปรดระวังอย่าให้ผสมกันเมื่อเลือก


ก่อน: 
ถัดไป: 
Dongguan Zhengchen Hardware Co., Ltd. เป็นเวลากว่า 10 ปีที่ผลิตภัณฑ์ของเราใช้ประโยชน์จากเทคโนโลยีขั้นสูงและการควบคุมคุณภาพที่ไม่มีใครเทียบได้ เพื่อส่งมอบชิ้นส่วนทางวิศวกรรมที่แม่นยำไปทั่วโลก ซึ่งส่งผลกระทบต่อชีวิตสมัยใหม่แทบทุกด้าน
ข้อความถึงผู้ขาย
ติดต่อกับเรา

ติดต่อเรา

  +86-769-85303229
  +86-13763283864
  +86-13763283864
  กาลิน่า910902
  Haofeng Indu, Xinming Rd, Changan Town, Dongguan City, Guangdong China 523850

ลิงค์ด่วน

ส่งข้อความถึงเรา

ลิขสิทธิ์ ©2023 Dongguan Zhengchen Hardware Co., Ltd. สงวนลิขสิทธิ์| Sitemap |สนับสนุนโดย Leadong